AL BLOK ZAKOVICA 4 X16 7337
Opis proizvoda
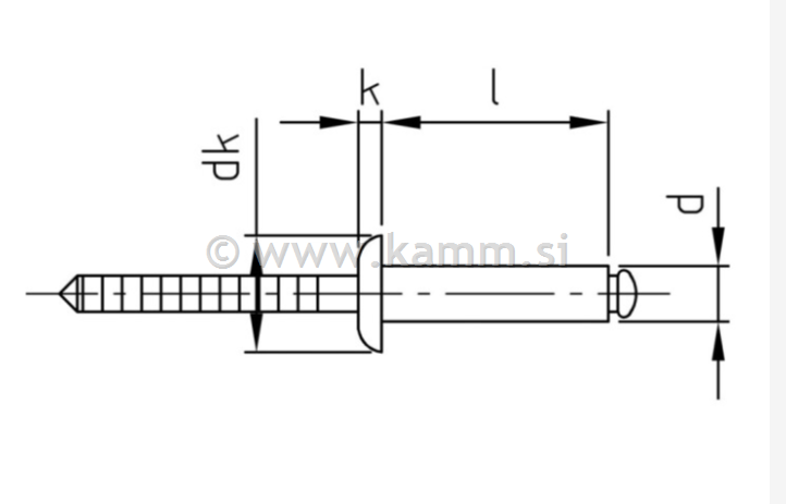
Premer (d) 4 mm
Višina glave (k) 1,3 mm
Dolžina (l) 16 mm
Premer glave (dk) 8,0 mm
Vpenjalna površina 6,5 – 8,5 mm
Kovica ima univerzalno zaobljeno glavo. Zasnovana je za hitro in trajno spajanje dveh ali več plasti materiala, kjer je dostop mogoč le z ene strani.
Glavne lastnosti:
- Univerzalna uporaba: Primerna za vse splošne konstrukcije, kjer ni posebnih zahtev po tesnjenju ali poravnavi površine.
- Enostavna vgradnja: Ne zahteva posebne priprave lukenj (razen vrtanja).
- Vidna glava: Po namestitvi glava ostane rahlo izbočena nad površino materiala, kar ustvari prepoznaven industrijski videz.
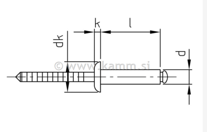
Višina glave (k) 1,3 mm
Dolžina (l) 16 mm
Premer glave (dk) 8,0 mm
Vpenjalna površina 6,5 – 8,5 mm
Kovica ima univerzalno zaobljeno glavo. Zasnovana je za hitro in trajno spajanje dveh ali več plasti materiala, kjer je dostop mogoč le z ene strani.
Glavne lastnosti:
- Univerzalna uporaba: Primerna za vse splošne konstrukcije, kjer ni posebnih zahtev po tesnjenju ali poravnavi površine.
- Enostavna vgradnja: Ne zahteva posebne priprave lukenj (razen vrtanja).
- Vidna glava: Po namestitvi glava ostane rahlo izbočena nad površino materiala, kar ustvari prepoznaven industrijski videz.