JEKL.BLOK ZAKOVICA 3.2X10 7337
Opis proizvoda
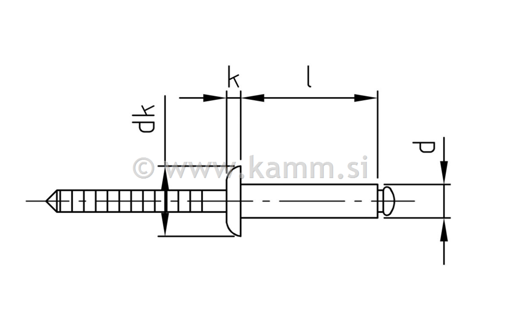
Premer (d) 3,2 mm
Višina glave (k) 1,0 mm
Dolžina (l) 10 mm
Premer glave (dk) 6,3 mm
Vpenjalna površina 5,0 – 7,0 mm
Glavne značilnosti jeklene kovice so:
- Visoka strižna in natezna trdnost: Ker sta telo in trn iz jekla, zagotavlja močnejši spoj kot aluminijaste različice.
- Enostranska montaža: Omogoča spajanje materialov, kjer je dostop mogoč le z ene strani (slepa vgradnja).
- Odpornost na vibracije: Ustvari trden in trajen spoj, ki se med tresljaji ne odvije ali zrahlja.
- Antikorozijska zaščita: Površina je običajno galvansko pocinkana, kar ščiti material pred rjavenjem v zaprtih prostorih.
- Ploščata okrogla glava: Zagotavlja široko naležno površino, ki dobro razporedi pritisk na spajani material.
- Hitra vgradnja: Z uporabo ročnih, akumulatorskih ali pnevmatskih klešč je montaža izjemno hitra in učinkovita.
Višina glave (k) 1,0 mm
Dolžina (l) 10 mm
Premer glave (dk) 6,3 mm
Vpenjalna površina 5,0 – 7,0 mm
Glavne značilnosti jeklene kovice so:
- Visoka strižna in natezna trdnost: Ker sta telo in trn iz jekla, zagotavlja močnejši spoj kot aluminijaste različice.
- Enostranska montaža: Omogoča spajanje materialov, kjer je dostop mogoč le z ene strani (slepa vgradnja).
- Odpornost na vibracije: Ustvari trden in trajen spoj, ki se med tresljaji ne odvije ali zrahlja.
- Antikorozijska zaščita: Površina je običajno galvansko pocinkana, kar ščiti material pred rjavenjem v zaprtih prostorih.
- Ploščata okrogla glava: Zagotavlja široko naležno površino, ki dobro razporedi pritisk na spajani material.
- Hitra vgradnja: Z uporabo ročnih, akumulatorskih ali pnevmatskih klešč je montaža izjemno hitra in učinkovita.