kamm.hr Vijci i spojni elementi Podloške Podloške za upuštene vijke Inox podloška za upušteni vijak NF E27-619
RF PODL.ZA VGR.VIJ. 12 NF E27-619
stamped
Opis proizvoda
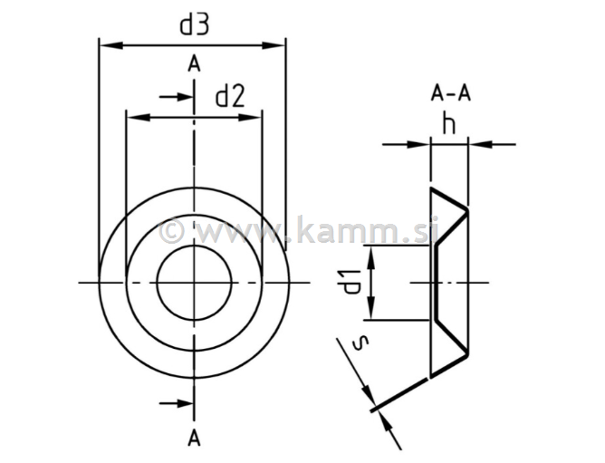
notranji premer (d1) 14 mm
premer (d2) 24 mm
zunanji premer (d3) 32 mm
debelina (h) 6,5 mm
Ta nerjavna okrasna podložka (rozeta) po standardu NF E 27-619 je popolna rešitev za estetsko dovršeno pritrjevanje z vgreznjenimi vijaki.
Izdelana je s postopkom vtiskovanja, kar ji daje lahkotnost in elegantno obliko.
Glavne prednosti:
- Izgled: Prekrije robove izvrtine in omogoči, da se glava vgreznjenega vijaka (npr. DIN 7991 ali lesni vijaki) poravna s podložko, kar ustvari gladek, polkrožen zaključek.
- Material: Visoka odpornost proti koroziji in rji, primerna tako za notranjo opremo kot za zunanjo uporabo.
- Zaščita materiala: Podložka porazdeli pritisk vijaka na širšo površino, kar preprečuje poškodbe in ugrezanje vijaka v mehkejše materiale (les, plastika, mehke kovine).
- Brez rezkanja: Idealna za primere, kjer materiala ne morete ali ne želite vnaprej poglobiti (frezati) za vgreznjeno glavo vijaka.
premer (d2) 24 mm
zunanji premer (d3) 32 mm
debelina (h) 6,5 mm
Ta nerjavna okrasna podložka (rozeta) po standardu NF E 27-619 je popolna rešitev za estetsko dovršeno pritrjevanje z vgreznjenimi vijaki.
Izdelana je s postopkom vtiskovanja, kar ji daje lahkotnost in elegantno obliko.
Glavne prednosti:
- Izgled: Prekrije robove izvrtine in omogoči, da se glava vgreznjenega vijaka (npr. DIN 7991 ali lesni vijaki) poravna s podložko, kar ustvari gladek, polkrožen zaključek.
- Material: Visoka odpornost proti koroziji in rji, primerna tako za notranjo opremo kot za zunanjo uporabo.
- Zaščita materiala: Podložka porazdeli pritisk vijaka na širšo površino, kar preprečuje poškodbe in ugrezanje vijaka v mehkejše materiale (les, plastika, mehke kovine).
- Brez rezkanja: Idealna za primere, kjer materiala ne morete ali ne želite vnaprej poglobiti (frezati) za vgreznjeno glavo vijaka.